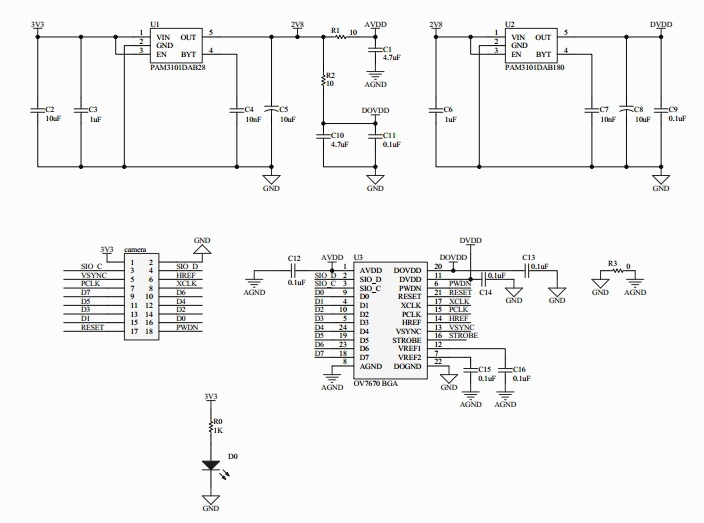
Модуль камеры VGA OV7670
VGA камера OV7670 с максимальным разрешением 640х480 пикселей (0.3 МП), управляется по протоколу SCCB (аналог I2C).
Для OV7670 существует множество настроек. Программируется качество изображения, формат данных и режим передачи. Обработка изображения настраивается записью данных в специальные регистры микросхемы OV7670 с помощью интерфейса Serial Camera Control Bus (SCCB) – аналог шины I2C. Частота дискретизации 30 кадров в секунду соответствует стандарту VGA. Скорость передачи кадров устанавливается программно. Также доступны форматы: QVGA 320х240, CIF 352х240, QCIF 176×144. Разрешение может принудительно снижаться до 40×30 пикселей. Данные о цвете передаются с помощью установленного программистом кодирования. Используются два основных типа кодирования YCbCr и RGB, который имеет три варианта: RGB565, RGB555, RGB444. Здесь цифры означают количество бит одного цвета. Например, RGB565 это 5 бит на красный, 6 бит на зеленый и 5 бит на синий. В случае кодирования RGB для передачи данных о цвете пикселя требуется 2 байта. Отправка кодирования цвета YCbCr сложнее. По умолчанию установлен формат VGA 640х480. 30 кадров, 480 строк. На выходе HREF сигнал с частотой 14,4 кГц. Частота обусловлена параметрами изображения 30 кадров x 480 строк = 14400 Гц.
Характеристики:
Размер линзы: 1/6 дюйма
Видимый угол: 25 град.
Макс. количество кадров: 30/сек
Чувствительность: 1.3В (Люкс-сек)
Отношение сигнал/шум: 46дБ
Размеры платы: 3.5×3.5 см
Вес: 12 грамм










Отзывы
Отзывов пока нет.